| 型号 | CN-TZ43X7F-2MP | |
| 机芯参数 | ||
| 传感器类型 | 1/2.8 Progressive Scan CMOS | |
| 有效像素 | 200 万 | |
| 最低照度 | 彩色:0.001 Lux @(F1.8,AGC ON);黑白:0.0005Lux @(F1.8,AGC ON) | |
| 信噪比 | >52dB | |
| 日夜切换模式 | 自动 ICR 滤光片切换,自动,彩色,黑白 | |
| 镜头参数 | ||
| 焦距 | f = 7-300mm,43倍光学变焦,数字变倍16倍 | |
| 快门 | 1/25 秒至 1/100,000 秒;支持慢快门 | |
| 水平视场角 | 42-1度(广角-望远) | |
| 近摄距 | 100mm-1500mm (广角-望远) | |
| 编码方式 | ||
| 视频压缩标准 | H.265 / H.264,H.265+/H.264+ | |
| H.265 编码类型 | BaseLine Profile / Main Profile / High Profile | |
| H.264 编码类型 | BaseLine Profile / Main Profile / High Profile | |
| 视频压缩码率 | 32Kbps~32Mbps | |
| 音频压缩标准 | G.711A/G.711U/G.726/AAC | |
| 音频压缩码率 | 16Kbps(G.711)/ ( G.711U )/ (G.726)/(AAC) | |
| 图像参数 | ||
| 主码流分辨率 | 50Hz: 25fps (2688×1520,1920 × 1080,1280 × 720); 60Hz: 30fps (2688×1520,1920 × 1080,1280 × 720); | |
| 第二码流分辨率 | 50Hz: 25fps(720×576,352×288); 60Hz: 30fps(720×576,352×288) | |
| 第三码流分辨率 | 50Hz: 25fps(1280 × 720,720×576,352×288); 60Hz: 30fps(1280 × 720,720×576,352×288) | |
| 图像设置 | 亮度,对比度,饱和度,锐度,色度,通过浏览器可调 | |
| 背光补偿 | 支持,可自定义区域 | |
| 强光抑制 | 支持 | |
| 曝光模式 | 自动曝光/手动曝光/防拖影/低光优先/高光优先/光圈优先/快门优先/锁定模式 | |
| 聚焦模式 | 自动聚焦/手动聚焦/半自动聚焦 | |
| 区域聚焦 | 支持 | |
| 光学透雾 | 支持 | |
| 电子防抖 | 支持 | |
| 日夜转换方式 | 自动,手动,图像算法,定时,串口触发 | |
| 3D 降噪 | 支持 | |
| 图片叠加 | 支持 BMP 24 位图像叠加,可自定义区域 | |
| 通透性 | 自动,区域选择 | |
| 感兴趣区域(ROI) | 支持三码流,分别设置 4 个固定区域 | |
| 智能检测 | 移动侦测、视频遮挡、绊线(越界)侦测、周界(区域入侵)、物品遗失、物品遗留等功能 | |
| 网络功能 | ||
| 存储功能 | Micro SD/SDHC /SDXC 卡(256G)断网本地存储,NAS(NFS,SMB/CIFS 均支持 | |
| 支持协议 | TCP/IP,MTU,HTTP,HTTPS,FTP,DHCP,DDNS,UPNP,RTSP,RTMP,NTP,SMTP,PPPOE | |
| 应用编程接口 | 支持 ONVIF、GB28181 协议,支持 SDK 和第三方平台接入 | |
| 接口参数 | ||
| 网络接口 | 36pin FFC (包括网口、RS485、RS232(TTL)、SDHC、Alarm In/Out、Line In/Out、电源) | |
| 对外接口 | LVDS/MIPI | |
| 一般规格 | ||
| 工作温度和湿度 | -30℃~60℃,湿度小于 95%(无凝结) | |
| 电源供应 | DC12V±10% ,2A | |
| 功耗 | 2.5W 静态(4.5W MAX) | |
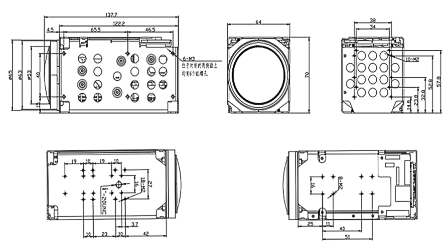
| 尺寸 | 137.7*64*70mm | |
| 重量 | 562g(带外壳);308g(不带外壳) | |



